Обратный шаровой клапан
Шаровой обратный клапан - запорное устройство, исключающее движение потока жидкости в обратном направлении, в трубопроводах давлением до 16 бар. Шар обратного клапана, находящийся внутри корпуса открывает и перекрывает поток жидкости.
![]() |
![]() |
|
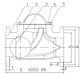
DN |
L |
D |
C |
G |
t |
n-d |
f |
|
40 |
180 |
150 |
110 |
88 |
18 |
4-19 |
3 |
|
50 |
200 |
165 |
125 |
102 |
19 |
4-19 |
3 |
|
65 |
240 |
185 |
145 |
122 |
19 |
4-19 |
3 |
|
80 |
260 |
200 |
160 |
138 |
19 |
8-19/4-19 |
3 |
|
100 |
30 |
220 |
180 |
158 |
19 |
8-19 |
3 |
|
125 |
350 |
250 |
210 |
188 |
19 |
8-19 |
3 |
|
150 |
400 |
285 |
240 |
212 |
20 |
8-23 |
3 |
|
200 |
500 |
340 |
295 |
268 |
22 |
12-23/8-23 |
3 |
|
250 |
600 |
405/395 |
355/350 |
320 |
24.5 |
12-28/12-23 |
3 |
|
300 |
700 |
460/445 |
410/400 |
378/370 |
24.5 |
12-28/12-23 |
4 |
|
350 |
800 |
520/505 |
470/460 |
188 |
26.5 |
16-28/16-23 |
4 |
|
400 |
900 |
580/565 |
528/515 |
212 |
28 |
16-31/16-28 |
4 |
|
450 |
1000 |
640/615 |
585/565 |
268 |
30 |
20-31/20-28 |
4 |
|
500 |
1100 |
715/670 |
650/620 |
320 |
31.5 |
20-34/20-28 |
4 |
|
600 |
1300 |
840/780 |
770/725 |
378/370 |
36 |
20-37/20-31 |
5 |





