Муфта-фланец чугунная для ПЭ
НАЗНАЧЕНИЕ И ТЕХНИЧЕСКИЕ ХАРАКТЕРИСТИКИ
Данный тип фиксирующих муфт используется для ПЭ труб.
Рабочее давление: PN 10/16
Максимальная температура: от -10°С до +70°С
Используется для воды, нейтральных жидкостей и сточных вод.
Покрытие: порошковое эпоксидное покрытие, нанесенное электростатическим способом.
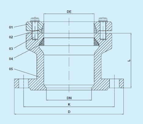
СХЕМА
![]() |
1 - Кольцо торцевое: высокопрочный чугун 2 - Кольцо, устойчивое к натяжению: бронза 3 - Соединительные болты: нержавеющая сталь 4 - Уплотнительное кольцо: EPDM 5 - Корпус: высокопрочный чугун |
ГАБАРИТНЫЕ РАЗМЕРЫ



