Муфта-фланец чугунная универсальная
НАЗНАЧЕНИЕ И ТЕХНИЧЕСКИЕ ХАРАКТЕРИСТИКИ
Данный тип фиксирующих муфт предназначен для соединения труб из разных материалов (чугун, сталь, ПВХ, асбестоцементые и др.) и разного диаметра.
Большой обжимаемый диапазон позволяет соединить различные виды труб в пределах заданного номинального размера.
Рабочее давление: PN 10/16
Максимальная температура: от -10°С до +70°С
Используется для воды, нейтральных жидкостей и сточных вод.
Покрытие: порошковое эпоксидное покрытие, нанесенное электростатическим способом.
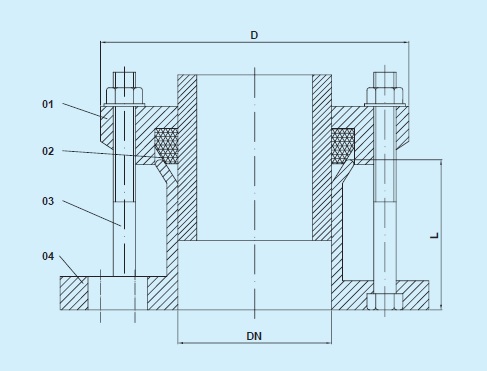
СХЕМА
![]() |
1 - Кольцо торцевое: высокопрочный чугун 2 - Уплотнительное кольцо: EPDM 3 - Соединительные болты: GD 4.8 4 - Корпус: высокопрочный чугун |
ГАБАРИТНЫЕ РАЗМЕРЫ
![]() |
![]() |







