Клапан обратный межфланцевый двустворчатый
Клапан обратный двустворчатый применяется для предотвращения обратного потока рабочей среды в трубопроводных системах тепло и водоснабжения, отопления, водоподготовки.
Рабочие среды: вода питьевая, техническая, морская, пар, газ, воздух, сточные и канализационные воды и иные среды, соответствующие физико-механическим и химическим свойствам конструктивных материалов клапана.

|
№ |
Наименование |
Материал |
|
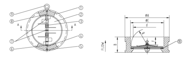
1 |
Корпус |
Чугун |
|
2 |
Диск |
Чугун |
|
3 |
Пружина |
Нержавеющая сталь |
|
4 |
Шток |
Нержавеющая сталь |
|
5 |
Болт |
сталь |
|
6 |
Шайба |
PTFE |
|
7 |
Шайба |
PTFE |
|
8 |
Стопор |
Нержавеющая сталь |
|
9 |
Болт для уха |
сталь |
|
10 |
Седло |
NBR |
Основные параметры клапана обратного двустворчатого:
|
DN |
B |
E |
F |
R |
d |
A |
|
50 |
43 |
65 |
19 |
28.8 |
43.3 |
107 |
|
65 |
46 |
80 |
20 |
36.1 |
60.2 |
127 |
|
80 |
64 |
94 |
28 |
43.4 |
66.4 |
142 |
|
100 |
64 |
117 |
27 |
52.8 |
90.8 |
162 |
|
125 |
70 |
145 |
30 |
65.7 |
116.9 |
192 |
|
150 |
76 |
170 |
31 |
78.6 |
144.6 |
218 |
|
200 |
89 |
224 |
33 |
104.4 |
198.2 |
273 |
|
250 |
114 |
265 |
50 |
127 |
233.7 |
328 |
|
300 |
114 |
310 |
43 |
148.3 |
283.9 |
378/382 |
|
350 |
127 |
360 |
45 |
172.4 |
332.9 |
438/442 |
|
400 |
140 |
410 |
52 |
197.4 |
381.0 |
488/495 |
|
450 |
152 |
450 |
58 |
217.8 |
419.9 |
538/555 |
|
500 |
152 |
505 |
58 |
241 |
467.8 |
592/617 |
|
600 |
178 |
624 |
73 |
295.4 |
572.6 |
695/734 |
|
700 |
229 |
720 |
98 |
354 |
680 |
809 |
|
800 |
241 |
825 |
100 |
398 |
770.5 |
916 |




