Фланец стальной приварной плоский
Фланцы стальные плоские приварные
НАЗНАЧЕНИЕ
Фланцы предназначены для установки в качестве соединительных элементов трубопровода по транспортировке воды, пара, масел и жидких неагрессивных нефтепродуктов. Применяются для соединения изделий арматуры с трубопроводами, соединения отдельных участков трубопроводов между собой и для присоединения трубопроводов к различному оборудованию. Обеспечивают герметичность и прочность конструкций.
При монтаже фланец «надевается» на трубу и приваривается двумя сварными швами по окружности трубы.
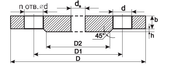
СХЕМА

ТЕХНИЧЕСКОЕ ОПИСАНИЕ

ГАБАРИТНЫЕ И ПРИСОЕДИНИТЕЛЬНЫЕ РАЗМЕРЫ
Габаритные и присоединительные размеры соответствуют ГОСТ 12820-80
Фланцы стальные плоские приварные всегда в наличии на нашем складе в Минске


