Фланец резьбовой
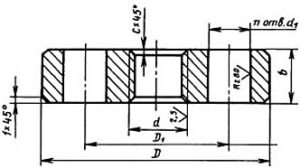
Фланцы стальные резьбовые представляют из себя деталь в форме диска с отверстием в центре для прохождения движущегося потока среды, вокруг которого имеются равномерно-распределенные отверстия для крепежа.
Внутри центрального отверстия резьбовые фланцы имеют резьбу, с помощью которой они накручиваются на трубу.
Условное давление: 20 - 100 МПа.
Условный диаметр: М14 - М295 мм.
Материалы: ст20, 09г2с, 12х18н10т, 10х17н13м2т и др.
Способы монтажа: фланцы ГОСТ 9399-81 монтируются на трубопровод с помощью резьбы, а между собой крепятся с помощью болтов или шпилек. Данный метод позволяет выдерживать высокое давление.
Фланцы резьбовые могут быть изготовлены всего в одном исполнении:

Таблица с габаритными размерами:
| D | D H14 |
D1 | B H14 |
С | D1 H16 |
N | МАССА, КГ, НЕ БОЛЕЕ |
|---|---|---|---|---|---|---|---|
| М14х1,5 | 70 | 42 | 15 | 1,6 | 16 | 3 | 0,40 |
| М16х1,5 | 0,38 | ||||||
| М24х2 | 95 | 60 | 20 | 2,0 | 18 | 0,95 | |
| М33х2 | 105 | 68 | 1,10 | ||||
| М42х2 | 115 | 80 | 25 | 4 | 1,60 | ||
| М48х2 | 135 | 95 | 30 | 22 | 2,60 | ||
| M56x3 | 165 | 115 | 35 | 2,5 | 24 | 6 | 4,50 |
| M64x3 | 4,25 | ||||||
| М80х3 | 200 | 145 | 40 | 29 | 7,10 | ||
| М100х3 | 225 | 170 | 50 | 33 | 10,50 | ||
| М110х3 | 245 | 185 | 55 | 14,00 | |||
| М125х4 | 260 | 195 | 3,0 | 36 | 15,00 | ||
| М135х4 | 290 | 220 | 65 | 39 | 22,80 | ||
| М155х4 | 300 | 235 | 70 | 8 | 23,20 | ||
| М175х6 | 330 | 255 | 80 | 4,0 | 42 | 31,65 | |
| М190х6 | 400 | 305 | 85 | 48 | 55,30 | ||
| М215х6 | 315 | 95 | 55,85 | ||||
| М240х6 | 460 | 360 | 105 | 55 | 84,55 | ||
| М265х6 | 480 | 380 | 130 | 59 | 106,10 | ||
| М295х6 | 570 | 460 | 10 | 164,20 |




