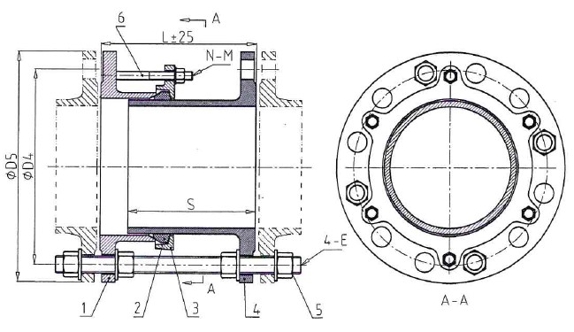
Демонтажная вставка

|
DN |
D5 |
D4 |
S |
L |
4-E |
N-M |
|
100 |
220 |
180 |
160 |
200 |
4-M16 |
4-M12 |
|
150 |
285 |
240 |
160 |
200 |
4-M20 |
4-M12 |
|
200 |
340 |
295 |
180 |
220 |
4-M20 |
4-M12 |
|
250 |
400 |
350 |
190 |
230 |
4-M20 |
6-M12 |
|
300 |
455 |
400 |
210 |
250 |
4-M20 |
6-M12 |
|
350 |
505 |
460 |
215 |
260 |
4-M20 |
8-M16 |
|
400 |
565 |
515 |
225 |
270 |
4-M24 |
8-M16 |
|
500 |
670 |
620 |
235 |
280 |
4-M24 |
10-M16 |
|
600 |
780 |
725 |
250 |
300 |
4-M27 |
10-M16 |
|
700-1200 |
- |
- |
- |
- |
- |
- |
Демонтажная вставка — это деталь трубопровода, которую используют для компенсации незначительных изменений длины и угла наклона (несоосность) трубы и запорно-регулирующей арматуры во время монтажа и демонтажа трубопровода, а также для соединения двух трубопроводов при проведении ремонтно-восстановительных работ инженерных сетей.
Демонтажная вставка - лёгкость монтажа
Облегчает работу проектировщиков на стадии разработки проекта. Значительно облегчает монтаж трубопроводной арматуры за счёт возможности регулирования линейного размера. Упрощает монтажные работы, позволяет легко демонтировать оборудование для проведения плановых ТО или полной его замены.




